《计算机网络》01. 基本概念

@TOC


网络协议从入门到底层原理。

1:互联网 & 协议

互联网(internet)的出现,彻底改变了人们的生活方式,足不出户就可以购物、聊天、看电影、买车票、上班等。

在这里插入图片描述

数据是如何从一个设备传递到另一个设备的?

  • 这一切都是由网络协议来规定的。
  • 没有网络协议,就没有今天的互联网。

什么是协议

  • 协议就是通用的标准。
  • 如果没有一个国际通用的标准,那么相互之间的交互就会很麻烦。

1.1:跨平台原理

C/C++ 跨平台原理
使用平台相关的编译器生成对应平台的可执行文件。

在这里插入图片描述

Java 跨平台的原理

在这里插入图片描述

C/C++ 编译之后可直接生成平台对应的可执行文件
Java编译之后生成字节码文件。对于操作系统来说,不是可执行文件。

1.2:客户端与服务器

在这里插入图片描述

其中,后端使用 Java 的一种结构如下:

在这里插入图片描述

客户端向服务器请求:

1
2
3
http://IP地址:端口号/项目
例:
http://10.10.125.41:8080/qq/login/...

2:网络互连模型

  • 国际标准:OSI 参考模型(7层)
  • 实际应用:TCP/IP 协议(4层)
  • 学习研究:(5层)

为了更好地促进互联网络的研究和发展,国际标准化组织 ISO 在 1985 年制定了网络互连模型 OSI 参考模型(Open System Interconnect Reference Model)。

在这里插入图片描述

网络请求过程:不管什么协议,都是经过下列的 包装 + 解包 过程。

在这里插入图片描述

3:计算机通信基础

先不考虑无线连接的问题。

  • 需要得知对方的 IP 地址。
  • 最终是根据 MAC 地址(网卡地址),输送数据到网卡,被网卡接收。
    • 如果网卡发现数据的目标 MAC 地址是自己,就会将数据传递给上一层进行处理。
    • 如果网卡发现数据的目标 MAC 地址不是自己,就会将数据丢弃,不会传递给上一层进行处理。

在这里插入图片描述

3.1:网线直连

  • 需要用交叉线(不是直通线)
  • 同一网段

在这里插入图片描述

  • ping 走的是 ICMP 协议。
  • ARP 协议:已知 IP 地址,不知道 MAC 地址时,通过广播获取 MAC 地址。

右边出现的 3 个 ARP 包,实际上是一次完整的发送请求、接收响应的过程。
ICMP 包同理。

3.2:同轴电缆

同轴电缆(Coaxial),连接同一网段。

在这里插入图片描述

3.3:集线器

集线器(Hub),连接同一网段。

在这里插入图片描述

集线器相比同轴电缆唯一的优点:连着集线器的某一个设备中间线路出问题,不会影响到连着集线器的其他设备的通信。

3.4:网桥

网桥(Bridge)。还是连接同一网段。

在这里插入图片描述

能够通过自学习得知每个接口那侧的 MAC 地址,从而起到隔绝冲突域的作用。

3.5:交换机

交换机(Switch)。依旧是连接同一网段。

在这里插入图片描述

若全球所有设备都用交换机连接

  1. 他们必然处于同一网段,因此 IP 地址可能会不够用。
  2. 第一次发送数据包仍然需要 ARP 广播,耗费大量时间。
  3. 形成广播风暴,只要有一个设备发送 ARP 广播,全球设备都能收到。

3.6:路由器

路由器(Router)。路由器含有网关(Gateway),网关也有 IP 和 MAC 地址。

在这里插入图片描述

主机在发数据之前,首先会判断目标主机的 IP 地址跟它是否在同一个网段:

  1. 在同一个网段:ARP广播、通过交换机 / 集线器传递数据
  2. 不在同一个网段:通过路由器转发数据

在这里插入图片描述

4:MAC 地址

每个网卡都有一个 6 字节(48 bit)的 MAC 地址(Media Access Control Address)。

在这里插入图片描述

MAC 地址全球唯一,固化在网卡的 ROM 中,由 IEEE802 标准规定。

  • 前 3 字节:OUI(Organizationally Unique Identifier),组织唯一标识符。
    由 IEEE 的注册管理机构分配给厂商
  • 后 3 字节:网络接口标识符。
    由厂商自行分配

OUI 查询:可以根据 OUI 查询出对应的厂商。

4.1:MAC 地址格式

  • Windows
    40-55-82-0A-8C-6D
  • Linux、Unix、Android、Mac、iOS
    40:55:82:0A:8C:6D
  • Packet Tracer
    4055.820A.8C6D

当 48 位全为 1 时(FF-FF-FF-FF-FF-FF),代表广播地址。

4.2:MAC 地址操作

查看 MAC 地址(Windows):
ipconfig /all

修改 MAC 地址

1
更改适配器选项 -> 属性 -> 配置 -> 高级 -> 网络地址

在这里插入图片描述

这里修改 MAC 地址只是以这个值作为 MAC 地址上网,网卡的 MAC 地址无法修改。
有时可通过修改 MAC 地址蹭网。

  • 当不知道对方主机的 MAC 地址时,可以通过发送 ARP 广播获取对方的 MAC 地址。
  • 获取成功后,会缓存 IP 地址、MAC 地址的映射信息,俗称:ARP 缓存

通过 ARP 广播获取的 MAC 地址,属于动态(dynamic)缓存。
存储时间比较短(默认是 2 分钟),过期就自动删除。

查看ARP缓存
arp -a [<IP>]

删除ARP缓存
arp -d [<IP>]

增加一条缓存信息(静态缓存):
arp -s <IP> <MAC 地址>

5:ARP & ICMP

ARP(Address Resolution Protocol,地址解析协议)

  • 通过 IP 地址获取 MAC 地址

RARP(Reverse Address Resolution Protocol,逆地址解析协议)

  • 使用与 ARP 相同的报头结构
  • 作用与 ARP 相反,通过 MAC 地址获取 IP 地址
  • 后来被 BOOTP、DHCP 所取代

ICMP(Internet Control Message Protocol,互联网控制消息协议)

  • IPv4 中的 ICMP 被称作 ICMPv4,IPv6 中的 ICMP 则被称作 ICMPv6
  • 通常用于返回错误信息。比如 TTL 值过期、目的不可达
  • ICMP 的错误消息总是包括了源数据并返回给发送者

6:IP 地址

IP 地址(Internet Protocol Address):互联网上的每一个主机都有 IP 地址。

  • 最初是 IPv4 版本,32 bit(4字节),2019 年 11 月 25 日,全球的 IP 地址已经用完
  • 后面推出了 IPv6 版本,128 bit(16字节)

这里先讨论 IPv4。

IP 按字节分为 4 部分:

在这里插入图片描述

6.1:IP & 子网掩码

IP 地址由两部分组成:

  • 网络标识(网络 ID)
  • 主机标识(主机 ID)

网络 id 相同的主机处在同一网段。

通过子网掩码(subnet mask)可以计算出网络 ID

  • 网络 ID = 子网掩码 & IP

主机所在的网段 = 子网掩码 & IP地址

在这里插入图片描述

1
2
3
4
5
6
7
8
9
IP 地址:192.168.1.10
子网掩码:255.255.255.0

1100 0000 . 1010 1000 . 0000 0001 . 0000 1010
& 1111 1111 . 1111 1111 . 1111 1111 . 0000 0000
----------------------------------------------------
1100 0000 . 1010 1000 . 0000 0001 . 0000 0000

网段:192.168.1.0

例:

1
2
3
4
5
6
7
8
IP 地址:   130.168.1.10
子网掩码: 255.255.0.0
网段: 130.168.0.0

该网段最多有 256*256-2 个 IP 地址
130.168.0.0 代表网段
130.168.255.255 代表广播
网段和广播无法分配 IP 地址
  • 主机 ID 全为 0,表示主机所在的网段。
  • 主机 ID 全为 1,表示主机所在网段的全部主机(广播)。

可以尝试用广播 ping 某个网段的全部主机。

6.2:IP 地址分类

IP 地址分为 5 类。

  • A 类地址:默认子网掩码是 255.0.0.0,网络 ID 以 0 开头。
  • B 类地址:默认子网掩码是 255.255.0.0,网络 ID 以 10 开头。
  • C 类地址:默认子网掩码是 255.255.255.0,网络 ID 以 110 开头。
  • D 类地址:没有子网掩码,网络 ID 以 1110 开头。
  • E 类地址:保留为今后使用,以 1111 开头。

只有 A/B/C 类地址用来分配给主机。

6.2.1:A 类地址

默认子网掩码是 255.0.0.0,网络 ID 以 0 开头。

在这里插入图片描述

  • 网络 ID:
    • 0 不能用,127 作为保留网段。
    • 其中 127.0.0.1 是本地回环地址(Loopback),代表本机地址。
    • 第 1 部分可以分配的取值范围是:1 ~ 126。
  • 主机 ID:
    • 第 2、3、4 部分的取值范围是:0 ~ 255。
    • 每个 A 类网络能容纳的最大主机数是:256 * 256 * 256 - 2 = 2^24 - 2 = 16777214

6.2.2:B 类地址

默认子网掩码是 255.255.0.0,网络 ID 以 10 开头。

在这里插入图片描述

  • 网络 ID:
    • 第 1 部分的取值范围是:128 ~ 191
    • 第 2 部分的取值范围是:0 ~ 255
  • 主机 ID:
    • 第 3、4 部分的取值范围是:0 ~ 255
    • 每个 B 类网络能容纳的最大主机数是:256 * 256 - 2 = 2^16 - 2 = 65534

6.2.3:C 类地址

默认子网掩码是 255.255.255.0,网络 ID 以 110 开头。

在这里插入图片描述

  • 网络 ID:
    • 第 1 部分的取值范围是:192 ~ 223
    • 第 2、3 部分的取值范围是:0 ~ 255
  • 主机 ID:
    • 第 4 部分的取值范围是:0 ~ 255
    • 每个 C 类网络能容纳的最大主机数是:256 - 2 = 254

6.2.4:D 类地址

没有子网掩码,网络 ID 以 1110 开头。

在这里插入图片描述

  • 用于多播(组播)地址。
  • 第一部分取值范围:224 ~ 239。

6.2.5:E 类地址

保留为今后使用,以 1111 开头。

在这里插入图片描述

  • 保留为今后使用。
  • 第一部分取值是:240 ~ 255。

6.3:CIDR 表示方法

CIDR(Classless Inter-Domain Routing),无类别域间路由

子网掩码的 CIDR 表示方法:

  • 192.168.1.100/24,代表子网掩码有 24 个 1,也就是 255.255.255.0
  • 123.210.100.200/16,代表子网掩码有 16 个 1,也就是 255.255.0.0

计算工具:https://www.sojson.com/convert/subnetmask.html

7:子网

子网划分:借用主机位作子网位,划分出多个子网。

子网划分可以分为

  • 等长子网划分:将一个网段等分成多个子网,每个子网的可用 IP 地址数量一样。
  • 变长子网划分:每个子网的可用 IP 地址数量可以是不一样的。

子网划分的步骤

  1. 确定子网的子网掩码长度
  2. 确定子网中第 1 个、最后 1 个主机可用的 IP 地址

为什么要进行子网划分

  • 如果需要让 200 台主机在同一个网段内,可以分配一个 C 类网段,比如 192.168.1.0/24。
    • 共 254 个可用 IP 地址:192.168.1.1 ~ 192.168.1.254
    • 多出 54 个空闲的 IP 地址,这种情况并不算浪费资源
  • 如果需要让 500 台主机在同一个网段内,那就分配一个 B 类网段,比如 191.100.0.0/16。
    • 共 65534 个可用 IP 地址:191.100.0.1 ~ 191.100.255.254
    • 多出 65034 个空闲的IP地址,这种情况属于极大的浪费资源
  • 如何尽量避免浪费 IP 地址资源:合理进行子网划分。

7.1:等长子网划分

7.1.1:C 类子网划分

7.1.1.1:等分成 2 个子网

在这里插入图片描述

7.1.1.2:等分成 4 个子网

在这里插入图片描述

等分成 4 个子网的广播地址:

在这里插入图片描述

7.1.1.3:等分成 8 个子网

在这里插入图片描述

7.1.2:B 类子网划分

在这里插入图片描述

7.1.3:A 类子网划分

在这里插入图片描述

7.2:变长子网划分

如果一个子网地址块的长度是原网段的 (1/2)^n,那么

  • 子网的子网掩码,就是在原网段的子网掩码基础上增加 n 个 1。
  • 不等长的子网,子网掩码不同。

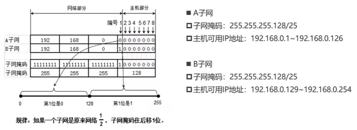
在这里插入图片描述

1
2
3
4
5
6
7
假设上图是对 192.168.0.0/24 进行变长子网划分

- C 网段:子网掩码是 255.255.255.128/25
- B 网段:子网掩码是 255.255.255.192/26
- A 网段:子网掩码是 255.255.255.224/27
- D 网段:子网掩码是 255.255.255.252/30
- E 网段:子网掩码是 255.255.255.252/30

8:超网

超网:跟子网反过来,它是将多个连续的网段合并成一个更大的网段。

示例

  • 原本有 200 台计算机使用 192.168.0.0/24 网段,现在希望增加 200 台设备到同一个网段。
    • 200 台在 192.168.0.0/24 网段,200 台在 192.168.1.0/24 网段
    • 合并 192.168.0.0/24192.168.1.0/24 为一个网段:192.168.0.0/23(子网掩码往左移动1位)

在这里插入图片描述

思考:对于上面的例子,192.168.0.255/23 这个 IP 地址,可以分配给计算机使用吗?

由下图知,主机位不全为 0 或 1,所以可以。

在这里插入图片描述

192.168.0.255/24 与 192.168.1.255/23 则不能分配给计算机。

8.1:合并 4 个网段

子网掩码向左移动 2 位,可以合并 4 个网段。

在这里插入图片描述

如上图,将 192.168.0.0/24、192.168.1.0/24、192.168.2.0/24、192.168.3.0/24 合并为 192.168.0.0/22 网段。

思考:192.168.1.0/24、192.168.2.0/24 两个网段,能通过子网掩码向左移动 1 位进行合并吗?

在这里插入图片描述

答:不能。

8.2:合并网段的规律

  • 假设 n 是 2 的 k 次幂( k >= 1),子网掩码左移 k 位能够合并 n 个网段

在这里插入图片描述

  • 假设 n 是 2 的 k 次幂(k >= 1),如果第一个网段的网络号能被 n 整除,那么由它开始连续的 n 个网段,能通过左移 k 位子网掩码进行合并。

例如:

  • 第一个网段的网络号以二进制 0 结尾,那么由它开始连续的 2 个网段,能通过左移 1 位子网掩码进行合并
  • 第一个网段的网络号以二进制 00 结尾,那么由它开始连续的 4 个网段,能通过左移 2 位子网掩码进行合并
  • 第一个网段的网络号以二进制 000 结尾,那么由它开始连续的 8 个网段,能通过左移 3 位子网掩码进行合并

在这里插入图片描述

8.3:判断一个网段是子网还是超网

  • 首先看该网段的类型,是 A 类网络、B 类网络、C 类网络?
    • 默认情况下
    • A 类子网掩码的位数是 8(255.0.0.0)
    • B 类子网掩码的位数是 16(255.255.0.0)
    • C 类子网掩码的位数是 24(255.255.255.0)
  • 如果该网段的子网掩码位数比默认子网掩码,就是子网
  • 如果该网段的子网掩码位数比默认子网掩码,就是超网

例:

25.100.0.0/16 是 A 类子网
根据 25 判断出这是个 A 类网络,默认子网掩码 8 位。
由于该网段子网掩码 16 位,比默认多,所以是子网。

200.100.0.0/16 是 C 类超网
根据 200 判断出这是个 C 类网络,默认子网掩码 24 位。
由于该网段子网掩码 16 位,比默认少,所以是超网。

9:路由

在不同网段之间转发数据,需要有路由器的支持

默认情况下,路由器只知道跟它直连的网段,非直连的网段需要通过静态路由和动态路由告诉它。

  • 静态路由
    • 管理员手动添加路由信息
    • 适用于小规模网络
  • 动态路由
    • 路由器通过路由选择协议(比如 RIP、OSPF)自动获取路由信息
    • 适用于大规模网络

9.1:路由表示例一

让 4 台主机之间可以互相通信:

在这里插入图片描述

路由器 0 的路由表

在这里插入图片描述

路由器 1 的路由表

在这里插入图片描述

9.2:路由表示例二

让 4 台主机之间可以互相通信:

在这里插入图片描述

路由表

在这里插入图片描述

10:数据包的传输过程

这里仅仅是简述一下数据包的传输过程,之后介绍网络分层时,会再次详细讲解数据包的传输过程。

在这里插入图片描述

源 IP、目标 IP 没有变;源 MAC、目标 MAC 一直在变。

10.1:第一个包的丢失

如图,从 192.168.1.10/24 往 192.168.2.10/24 虽然可以 ping 通,但是丢失了第一个数据包。

在这里插入图片描述

原因:计算机0 往路由器发送了 ARP 包,路由器收到后回复了 ARP 包,从而计算机0 就开始发送 ICMP 包,路由器0 收到 ICMP 包后准备发往计算机1,但是路由器还不知道计算机1 的 MAC 地址,所以要往计算机1 发送 ARP 包,因此就把 ICMP 包给丢了,所以第一次 ping 会超时。

11:网络 & 互联网 & 因特网

  • 网络(Network
  • 互联网(internet
  • 因特网(Internet

在这里插入图片描述

全世界最大的互联网:因特网(Internet),将全世界所有的计算机都连接在一起。

  • 一般使用大写 I 开头的 Internet 特指因特网。
  • 日常生活中说的:你的电脑上不了网。其实就是指:你的电脑没有连接到因特网。

12:ISP

ISP(Internet Service Provider),Internet 服务提供商,比如移动、电信、网通、铁通等。

我们平时拉的宽带都是通过 ISP 连接到 Internet 的。

在这里插入图片描述

平时见到左边的下载列表,其实是给使用不同 ISP 的用户对应的选择。

在这里插入图片描述

13:网络分类

按照不同的分类方式,可以将网络分为以下几类:

  • 局域网(LAN)
  • 城域网(MAN)
  • 广域网(WAN)
  • 个人区域网(PAN)
  • 无线局域网(WLAN)
  • 全球局域网(GAN)
  • 虚拟局域网(VLAN)

按照网络的范围进行分类,可以分为:局域网、城域网、广域网等

13.1:局域网

局域网(Local Area Network,LAN)

  • 一般是范围在几百米到十几公里内的计算机所构成的计算机网络
  • 常用于公司、家庭、学校、医院、机关、一幢大楼等
  • 局域网中使用最广泛的网络技术叫:以太网(Ethernet)
  • 在电脑、手机上经常见到的一个英文 WLAN(Wireless LAN),意思是无线局域网。

13.2:城域网

城域网(Metropolitan Area Network,MAN)

  • 一般范围是数十公里到数百公里,可以覆盖一个城市

13.3:广域网

广域网(Wide Area Network,WAN)

  • 一般范围是几百公里到几千公里,可以覆盖一个国家。通常都需要租用 ISP 的线路。

14:上网方式

14.1:电话线入户

在这里插入图片描述

ADSL(Asymmetric Digital Subscriber Line),电话拨号上网。

  • 非对称数字用户线路,提供上、下行不对称的传输带宽
  • 猫(Modem),调制解调器,进行数字信号和模拟信号的转换

14.2:光纤入户

在这里插入图片描述

光猫(Optical Modem),光调制解调器,进行数字信号和光信号的转换。

14.3:网线入户

在这里插入图片描述

14.4:家用无线路由器的逻辑结构

在这里插入图片描述

14.5:常见接口

  • FastEthernet:快速以太网接口(100M)
  • GigabitEthernet:千兆以太网接口(1000M)
  • Serial:串行接口

15:公网 & 私网

IP 地址也分为:公网 IP、私网 IP(内网)。

为什么要分公网、私网?
IP 地址不够用。
便于管理。

15.1:公网 IP

公网 IP(Public)。

  • Internet 上的路由器中只有到达公网的路由表,没有到达私网的路由表
  • 公网 IP 由因特网信息中心(Internet Network Information Cetner,Inter NIC)统一分配管理
  • ISP 需要向 Inter NIC 申请公网 IP

15.2:私网 IP

私网 IP(Private),主要用于局域网。

下面是保留的私网网段:

  • A 类:10.0.0.0/8,1 个 A 类网络
  • B 类:172.16.0.0/16 ~ 172.31.0.0/16,16 个 B 类网络
  • C 类:192.168.0.0/24 ~ 192.168.255.0/24,256 个 C 类网络

15.3:NAT

NAT(Network Address Translation)。

私网 IP 想访问 Internet 需要进行 NAT 转换,借助公网 IP 上网。这一步可以由路由器完成。

特点

  • 节约公网 IP 资源
  • 隐藏内部真实 IP

分类

  • 静态转换
    手动配置 NAT 映射表
    一对一转换
  • 动态转换
    定义外部地址池,动态随机转换
    一对一转换
  • PAT(Port Address Translation),目前应用最广泛的 NAT 实现方式
    多对一转换,最大程度节约公网 IP 资源
    采用端口多路复用方式,通过端口号标识不同的数据流

15.4:端口映射

端口(0 ~ 65535)是每个软件的一个通讯进出口。

类似于 NAT。

端口映射,就是将内网主机的一个端口映射到外网主机的一个端口。当用户访问外网 IP 的这个端口时,外网主机自动将请求映射到内网对应的机器上。


无奈夜长人不寐,数声和月到帘栊。

——《捣练子令 · 深院静》(五代)李煜